Diplomarbeiten aus dem
HTBLuVA Motorradprüfstand
Leopold Schamal, Alexander Sperl
Aufgabenstellung
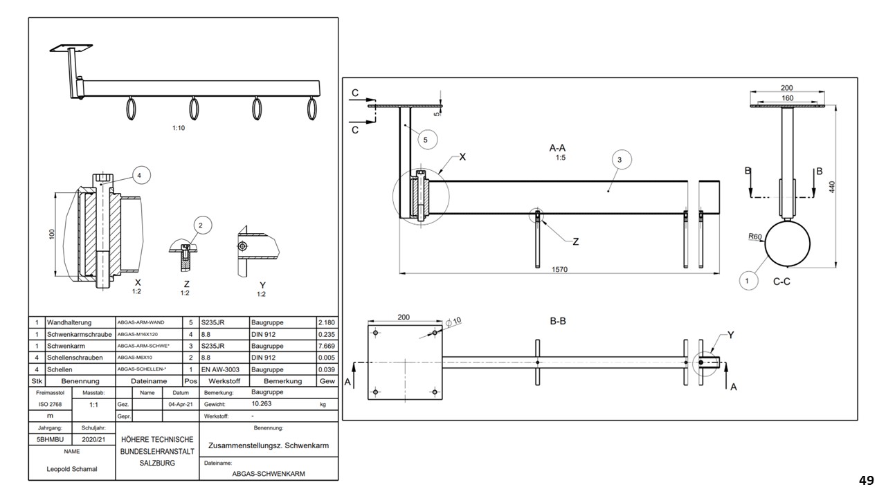
Ein, sich bereits in der HTBLuVA Salzburg befindender Motorradprüfstand, soll für die zukünftige Nutzung bei Laborübungen weiterentwickelt werden. Einerseits wurde sich zur Aufgabe gemacht, fehlende Komponenten des Rollenprüfstandes zu Entwickeln und Verwirklichen. Des Weiteren lag ein Augenmerk auf der Datenerfassung und Auswertung während Messläufen.
Ergebnisse
Das Ergebnis dieses Projekts soll ein Motorradprüfstand sein, der alle Sicherheitsanforderungen einhält und eine einfache Bedienung gewährleistet. Hinzu kommen die Dokumentation und strukturierte Darstellung der Messdaten.
Realisierung
Um eine volle Funktionsfähigkeit und korrekte Messabläufe zu erlangen, mussten Arbeiten aus vielen Bereichen der Technik durchgeführt werden. Für die Umsetzung der Abgasabsaugung, der Begrenzungsrollen und der Anzeigevorrichtung waren konstruktive Tätigkeiten notwendig. Zudem kamen Arbeiten im Bereich der Elektrotechnik für die Steuerung und Datenauswertung. Weiteres wurden praktische Dinge, wie die Verkabelung oder der Motorausbau durchgeführt.